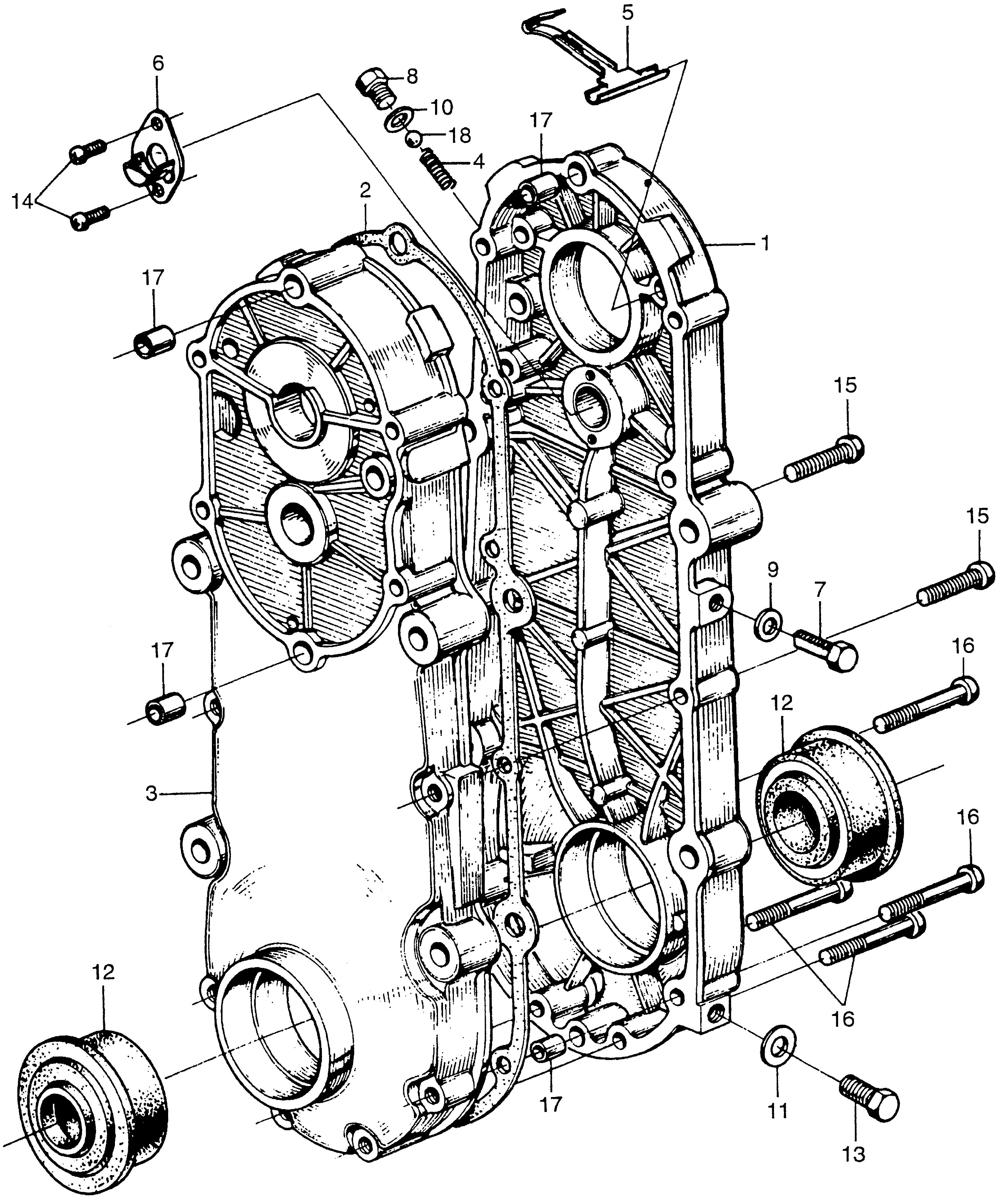
Tillers F F28 F28 A 715-150005-275829 CASE - Five Star Honda Power Equip

Ref No
Part Number
Description
Serial Range
Qty
Price

Ref No
1
Part Number
21110-708-040
Description
CASE, R. (NOT AVAILABLE)
Serial Range
1000001 - 9999999

Ref No
2
Part Number
21191-708-010
Description
GASKET, CASE (NOT AVAILABLE)
Serial Range
1000001 - 9999999

Ref No
3
Part Number
21210-708-040
Description
CASE, L. (NOT AVAILABLE)
Serial Range
1000001 - 9999999

Ref No
4
Part Number
24271-700-000
Description
SPRING, BALL SETTING
Serial Range
1000001 - 9999999

Ref No
5
Part Number
25431-715-010
Description
GUIDE, OIL (NOT AVAILABLE)
Serial Range
1000001 - 9999999

Ref No
6
Part Number
25441-708-020
Description
RECEIVER, OIL (NOT AVAILABLE)
Serial Range
1000001 - 9999999

Ref No
7
Part Number
25911-700-000
Description
BOLT, OIL CHECK (NOT AVAILABLE)
Serial Range
1000001 - 9999999

Ref No
8
Part Number
90086-700-000
Description
BOLT, HEX. (8X8)
Serial Range
1000001 - 9999999

Ref No
9
Part Number
90478-700-000
Description
WASHER A (6MM)
Serial Range
1000001 - 9999999
Qty
Price
$1.36

Ref No
10
Part Number
90488-700-000
Description
WASHER A (8MM)
Serial Range
1000001 - 9999999
Qty
Price
$2.18

Ref No
11
Part Number
90501-500-000
Description
GASKET, DRAIN PLUG
Serial Range
1000001 - 9999999

Ref No
12
Part Number
91205-708-000
Description
SEAL, WATER (25X46X18) (NOT AVAILABLE)
Serial Range
1000001 - 9999999

Ref No
13
Part Number
92800-12000
Description
BOLT, DRAIN PLUG (12MM)
Serial Range
1000001 - 9999999
Qty
Price
$6.84

Ref No
14
Part Number
93500-05008-0A
Description
SCREW, PAN (5X8)
Serial Range
1000001 - 9999999
Qty
Price
$1.54

Ref No
15
Part Number
93500-06025-0A
Description
SCREW, PAN (6X25)
Serial Range
1000001 - 9999999
Qty
Price
$2.12

Ref No
16
Part Number
93500-06032-0A
Description
SCREW, PAN (6X32)
Serial Range
1000001 - 9999999
Qty
Price
$2.20

Ref No
17
Part Number
94301-08100
Description
PIN, DOWEL (8X10)
Serial Range
1000001 - 9999999
Qty
Price
$3.97

Ref No
18
Part Number
96211-08000
Description
BALL, STEEL (#8) (1/4)
Serial Range
1000001 - 9999999
Qty
Price
$2.26