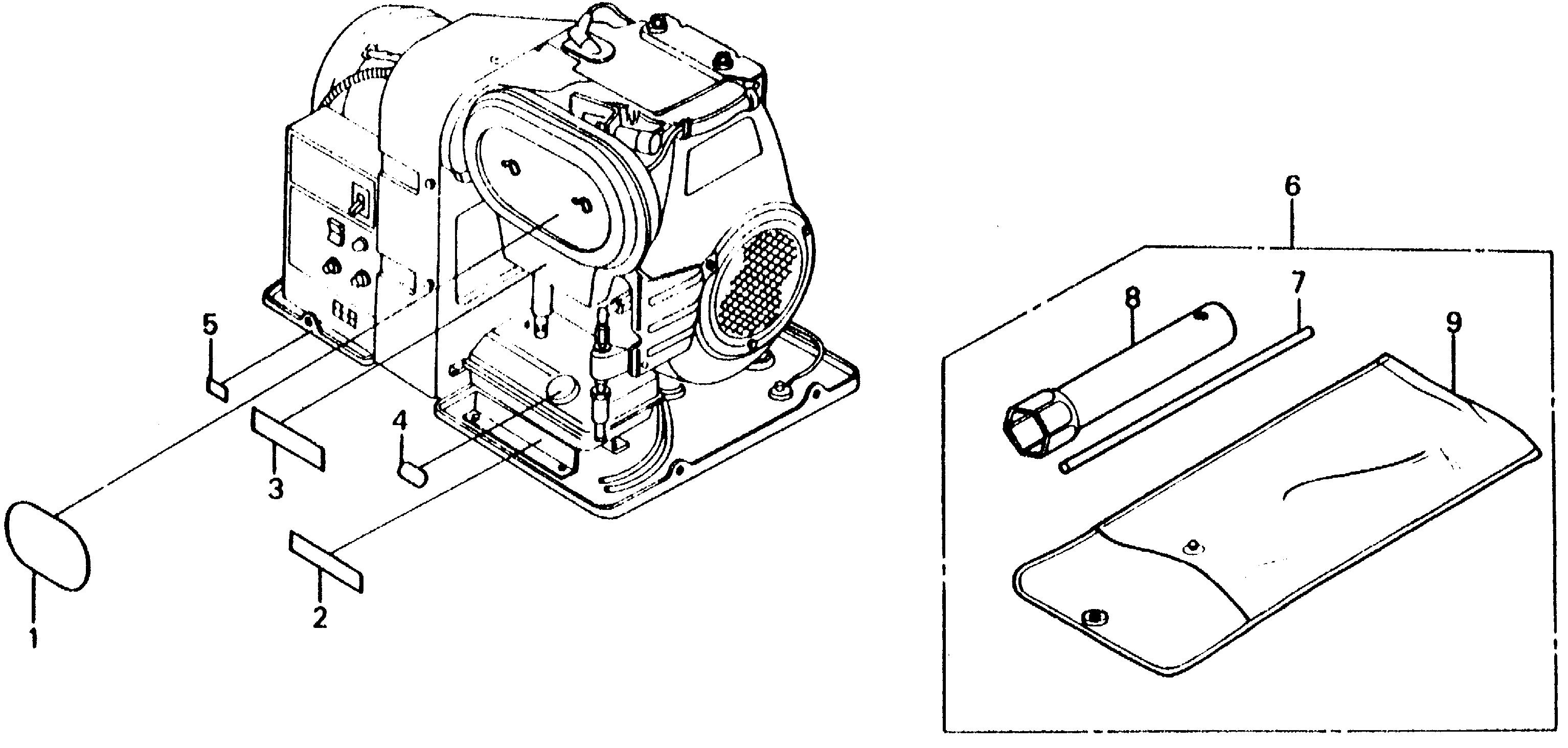
Generators EV EV4000 EV4000 A EV4000-1000001-9999999 LABELS@TOOLS - Five Star Honda Power Equip

Ref No
Part Number
Description
Serial Range
Qty
Price

Ref No
1
Part Number
87101-895-000
Description
MARK, AIR CLEANER COVER (NOT AVAILABLE)
Serial Range
1000001 - 9999999

Ref No
2
Part Number
87505-895-000
Description
MARK, CAUTION
Serial Range
1000001 - 9999999

Ref No
3
Part Number
87511-895-000
Description
MARK, INTERVAL (NOT AVAILABLE)
Serial Range
1000001 - 9999999

Ref No
4
Part Number
87594-895-000
Description
MARK, OIL CAUTION
Serial Range
1000001 - 9999999

Ref No
5
Part Number
87595-895-000
Description
MARK, MINUS
Serial Range
1000001 - 9999999
Qty
Price
$2.32

Ref No
6
Part Number
89000-895-000
Description
TOOL KIT (N/A: SEE COMPONENTS)
Serial Range
1000001 - 9999999

Ref No
7
Part Number
89211-170-000
Description
BAR, PLUG WRENCH
Serial Range
1000001 - 9999999
Qty
Price
$4.58

Ref No
8
Part Number
99004-21001
Description
WRENCH, BOX (P21)
Serial Range
1000001 - 9999999
Qty
Price
$6.09