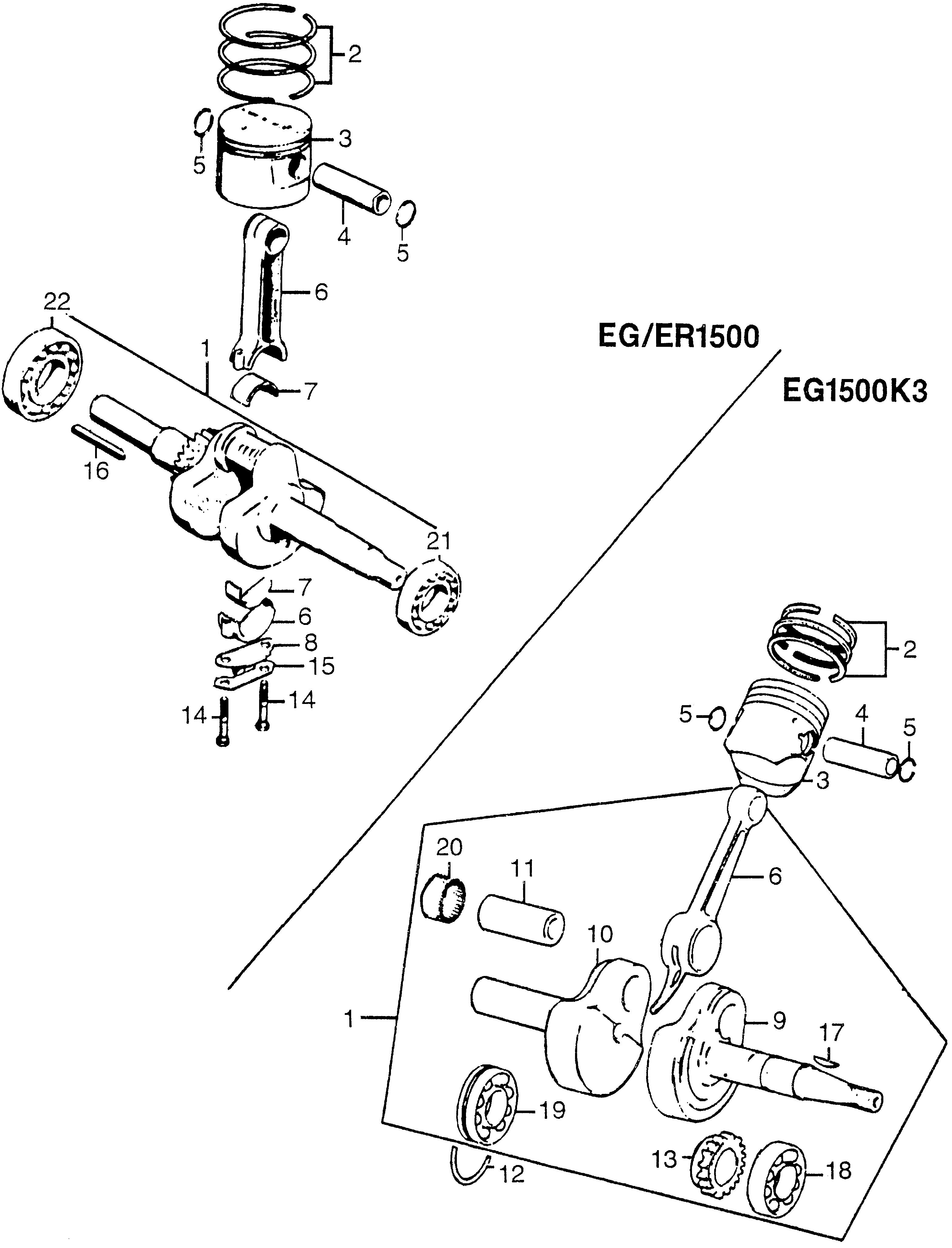
Generators EG EG1500 EG1500K3 A G42-200000-2193508 CRANKSHAFT@PISTON - Five Star Honda Power Equip

Ref No
Part Number
Description
Serial Range
Qty
Price

Ref No
1
Part Number
13000-822-030
Description
CRANKSHAFT ASSY.
Serial Range
1000001 - 9999999

Ref No
2
Part Number
13011-805-000
Description
RING SET, PISTON (STD)
Serial Range
1000001 - 9999999

Ref No
2
Part Number
13021-805-000
Description
RING SET, PISTON (OVER SIZE) (0.25) (NOT AVAILABLE)
Serial Range
1000001 - 9999999

Ref No
2
Part Number
13031-805-000
Description
RING SET, PISTON (OVER SIZE) (0.50) (NOT AVAILABLE)
Serial Range
1000001 - 9999999

Ref No
2
Part Number
13041-805-000
Description
RING SET, PISTON (OVER SIZE) (0.75) (NOT AVAILABLE)
Serial Range
1000001 - 9999999

Ref No
3
Part Number
13101-822-000
Description
PISTON (STD) (NOT AVAILABLE)
Serial Range
1000001 - 9999999
Qty
Price
$64.15

Ref No
3
Part Number
13102-822-000
Description
PISTON (OVER SIZE) (0.25) (NOT AVAILABLE)
Serial Range
1000001 - 9999999

Ref No
3
Part Number
13103-822-000
Description
PISTON (OVER SIZE) (0.50)
Serial Range
1000001 - 9999999
Qty
Price
$59.13

Ref No
3
Part Number
13104-822-000
Description
PISTON (OVER SIZE) (0.75) (NOT AVAILABLE)
Serial Range
1000001 - 9999999

Ref No
4
Part Number
13111-805-000
Description
PIN, PISTON (NOT AVAILABLE)
Serial Range
1000001 - 9999999

Ref No
5
Part Number
94601-18000
Description
CLIP, PISTON PIN (18MM)
Serial Range
1000001 - 9999999
Qty
Price
$1.80

Ref No
6
Part Number
13201-822-000
Description
ROD, CONNECTING (NOT AVAILABLE)
Serial Range
1000001 - 9999999

Ref No
9
Part Number
13311-822-020
Description
CRANKSHAFT, R.
Serial Range
1053792 - 9999999

Ref No
10
Part Number
13321-805-020
Description
CRANKSHAFT, L.
Serial Range
1000001 - 9999999

Ref No
11
Part Number
13381-822-000
Description
PIN, CRANKSHAFT
Serial Range
1000001 - 9999999

Ref No
12
Part Number
13491-701-000
Description
RING, BALL BEARING SET (NOT AVAILABLE)
Serial Range
1000001 - 9999999

Ref No
13
Part Number
14311-865-633
Description
GEAR, TIMING
Serial Range
1000001 - 9999999

Ref No
17
Part Number
90743-822-010
Description
KEY, WOODRUFF (NOT AVAILABLE)
Serial Range
1000001 - 9999999

Ref No
18
Part Number
91001-822-000
Description
BEARING, BALL (6304S) (NOT AVAILABLE)
Serial Range
1000001 - 9999999

Ref No
19
Part Number
91002-805-000
Description
BEARING, RADIAL BALL (6206SHS) (NOT AVAILABLE)
Serial Range
1000001 - 9999999

Ref No
20
Part Number
91101-805-000
Description
ROLLER, ROD (2.48X18.8)
Serial Range
1000001 - 9999999