Ref No
Part Number
Description
Serial Range
Qty
Price
Ref No 1
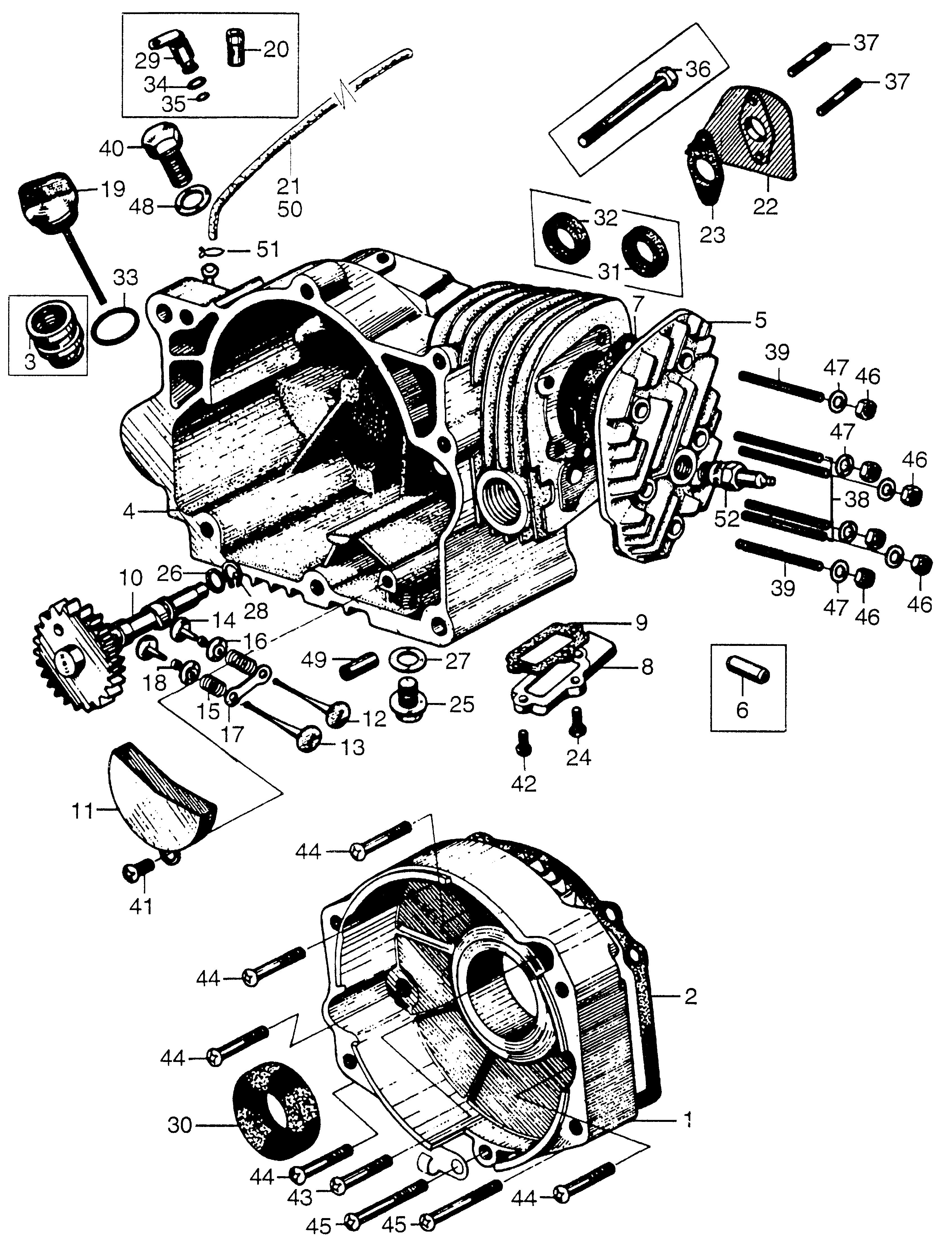
Part Number 11100-884-000
Description COVER, CRANKCASE
Serial Range 1075765 - 9999999
Ref No 2
Part Number 11191-836-000
Description GASKET, CRANKCASE COVER (NOT AVAILABLE)
Serial Range 1000001 - 9999999
Ref No 4
Part Number 12100-836-000
Description CYLINDER
Serial Range 1021558 - 9999999
Ref No 5
Part Number 12201-870-000
Description CYLINDER HEAD (NOT AVAILABLE)
Serial Range 1018082 - 9999999
Qty
Price $49.82
Add To Cart
Ref No 6
Part Number 12236-836-305
Description GUIDE, VALVE (OVER SIZE) (NOT AVAILABLE)
Serial Range 1106001 - 9999999
Ref No 7
Part Number 12251-812-010
Description GASKET, CYLINDER HEAD (NOT AVAILABLE)
Serial Range 1018082 - 9999999
Ref No 8
Part Number 12361-836-000
Description COVER, TAPPET
Serial Range 1000001 - 9999999
Ref No 9
Part Number 12369-812-010
Description GASKET, TAPPET COVER (NOT AVAILABLE)
Serial Range 1000001 - 9999999
Ref No 10
Part Number 14101-836-000
Description CAMSHAFT (NOT AVAILABLE)
Serial Range 1000001 - 9999999
Ref No 11
Part Number 14105-866-000
Description PROTECTOR, GEAR (NOT AVAILABLE)
Serial Range 1000001 - 9999999
Ref No 12
Part Number 14711-812-020
Description VALVE, IN.
Serial Range 1000001 - 9999999
Ref No 13
Part Number 14721-812-020
Description VALVE, EX. (NOT AVAILABLE)
Serial Range 1000001 - 9999999
Ref No 14
Part Number 14731-812-010
Description LIFTER, VALVE (NOT AVAILABLE)
Serial Range 1000001 - 9999999
Ref No 15
Part Number 14751-812-000
Description SPRING, VALVE (NOT AVAILABLE)
Serial Range 1000001 - 9999999
Ref No 16
Part Number 14771-812-010
Description RETAINER, VALVE SPRING (NOT AVAILABLE)
Serial Range 1000001 - 9999999
Ref No 17
Part Number 14775-812-000
Description SEAT, SPRING (NOT AVAILABLE)
Serial Range 1000001 - 9999999
Ref No 18
Part Number 14803-812-305
Description ADJUSTER C, TAPPET CLEARANCE (3.42-3.45) (NOT AVAILABLE)
Serial Range 1018082 - 9999999
Ref No 18
Part Number 14806-812-305
Description ADJUSTER F, TAPPET CLEARANCE (3.33-3.36) (NOT AVAILABLE)
Serial Range 1018082 - 9999999
Ref No 18
Part Number 14809-812-305
Description ADJUSTER, TAPPET CLEARANCE (3.24-3.27) (NOT AVAILABLE)
Serial Range 1018082 - 9999999
Ref No 18
Part Number 14812-812-305
Description ADJUSTER, L. TAPPET CLEARANCE (3.15-3.18) (NOT AVAILABLE)
Serial Range 1018082 - 9999999
Ref No 18
Part Number 14815-812-305
Description ADJUSTER, TAPPET CLEARANCE (3.06-3.09) (NOT AVAILABLE)
Serial Range 1018082 - 9999999
Ref No 19
Part Number 15620-812-010
Description CAP, OIL (NOT AVAILABLE)
Serial Range 1092171 - 2000000
Ref No 21
Part Number 95001-45000-90
Description TUBE (4.5X130)
Serial Range 1106001 - 1240000
Ref No 21
Part Number 95001-45000-90
Description TUBE (4.5X130)
Serial Range 1106001 - 1240000
Ref No 21
Part Number 95001-45003-60M
Description BULK HOSE, FUEL (4.5X3000) (4.5)
Serial Range 1106001 - 1240000
Qty
Price $75.05
Add To Cart
Ref No 21
Part Number 95001-45003-60M
Description BULK HOSE, FUEL (4.5X3000) (4.5)
Serial Range 1106001 - 1240000
Qty
Price $75.05
Add To Cart
Ref No 22
Part Number 16211-866-000
Description INSULATOR, CARBURETOR (NOT AVAILABLE)
Serial Range 100001 - 9999999
Ref No 23
Part Number 16229-812-000
Description GASKET, CARBURETOR INSULATOR (NOT AVAILABLE)
Serial Range 1000001 - 9999999
Ref No 24
Part Number 90002-836-000
Description BOLT, SPECIAL (5MM)
Serial Range 1000001 - 9999999
Ref No 25
Part Number 92800-12000
Description BOLT, DRAIN PLUG (12MM)
Serial Range 1000001 - 9999999
Qty
Price $6.84
Add To Cart
Ref No 26
Part Number 90451-812-000
Description WASHER (18MM)
Serial Range 1075765 - 9999999
Ref No 27
Part Number 94109-12000
Description WASHER, DRAIN PLUG (12MM)
Serial Range 1000001 - 9999999
Qty
Price $2.18
Add To Cart
Ref No 28
Part Number 90601-030-000
Description CIRCLIP (18MM)
Serial Range 1075765 - 9999999
Qty
Price $3.13
Add To Cart
Ref No 30
Part Number 91202-836-013
Description OIL SEAL (17X35X6) (NOT AVAILABLE)
Serial Range 1000001 - 9999999
Ref No 31
Part Number 91204-812-000
Description OIL SEAL (18X28X5) (AJ-TYPE) (NOT AVAILABLE)
Serial Range 1075765 - 9999999
Ref No 32
Part Number 91204-GK8-003
Description OIL SEAL (15X24X5)
Serial Range 1000001 - 9999999
Qty
Price $9.45
Add To Cart
Ref No 37
Part Number 92710-05032-0B
Description BOLT, STUD (5X32) (NOT AVAILABLE)
Serial Range 1106001 - 9999999
Ref No 38
Part Number 92700-06043-30
Description BOLT, STUD (6X43)
Serial Range 1106001 - 9999999
Ref No 39
Part Number 92720-06050-30
Description BOLT, STUD (6X50) (NOT AVAILABLE)
Serial Range 1018082 - 9999999
Ref No 40
Part Number 92800-14000
Description BOLT, DRAIN PLUG (14MM)
Serial Range 1106001 - 9999999
Qty
Price $7.77
Add To Cart
Ref No 41
Part Number 93500-05010-0A
Description SCREW, PAN (5X10)
Serial Range 1106001 - 9999999
Qty
Price $1.60
Add To Cart
Ref No 42
Part Number 93500-05018-0A
Description SCREW, PAN (5X18)
Serial Range 1000001 - 9999999
Qty
Price $1.45
Add To Cart
Ref No 43
Part Number 93500-05022-0A
Description SCREW, PAN (5X22)
Serial Range 1000001 - 9999999
Qty
Price $1.19
Add To Cart
Ref No 43
Part Number 93500-05022-0A
Description SCREW, PAN (5X22)
Serial Range 1000001 - 9999999
Qty
Price $1.19
Add To Cart
Ref No 44
Part Number 93500-05022-0A
Description SCREW, PAN (5X22)
Serial Range 1000001 - 9999999
Qty
Price $1.19
Add To Cart
Ref No 44
Part Number 93500-05022-0A
Description SCREW, PAN (5X22)
Serial Range 1000001 - 9999999
Qty
Price $1.19
Add To Cart
Ref No 45
Part Number 93500-05036-0A
Description SCREW, PAN (5X36) (NOT AVAILABLE)
Serial Range 1000001 - 9999999
Ref No 46
Part Number 94001-06000-0S
Description NUT, HEX. (6MM)
Serial Range 1000001 - 9999999
Ref No 46
Part Number 94001-06200-0S
Description NUT, HEX. (6MM)
Serial Range 1000001 - 9999999
Qty
Price $2.32
Add To Cart
Ref No 47
Part Number 94101-06800
Description WASHER, PLAIN (6MM)
Serial Range 1000001 - 9999999
Qty
Price $1.16
Add To Cart
Ref No 48
Part Number 94109-14000
Description WASHER, DRAIN PLUG (14MM)
Serial Range 1106001 - 9999999
Qty
Price $1.13
Add To Cart
Ref No 49
Part Number 94301-08140
Description PIN, DOWEL (8X14)
Serial Range 1106001 - 9999999
Qty
Price $3.97
Add To Cart
Ref No 50
Part Number 95001-45000
Description TUBE (4.5X130)
Serial Range 1106001 - 1240000
Ref No 50
Part Number 95001-45000-90
Description TUBE (4.5X130)
Serial Range 1106001 - 1240000
Ref No 50
Part Number 95001-45000-90
Description TUBE (4.5X130)
Serial Range 1106001 - 1240000
Ref No 50
Part Number 95001-45003-60M
Description BULK HOSE, FUEL (4.5X3000) (4.5)
Serial Range 1106001 - 1240000
Qty
Price $75.05
Add To Cart
Ref No 50
Part Number 95001-45003-60M
Description BULK HOSE, FUEL (4.5X3000) (4.5)
Serial Range 1106001 - 1240000
Qty
Price $75.05
Add To Cart
Ref No 50
Part Number 95001-45085
Description TUBE (4.5X95)
Serial Range 1106001 - 1240000
Ref No 50
Part Number 95001-45095
Description TUBE (4.5X95)
Serial Range 1106001 - 1240000
Ref No 50
Part Number 95001-45100
Description TUBE (4.5X130)
Serial Range 1106001 - 1240000
Ref No 50
Part Number 95001-45100-90
Description TUBE (4.5X130)
Serial Range 1106001 - 1240000
Ref No 50
Part Number 95001-45105
Description TUBE (4.5X105)
Serial Range 1106001 - 1240000
Ref No 50
Part Number 95001-45118
Description TUBE (4.5X95)
Serial Range 1106001 - 1240000
Ref No 50
Part Number 95001-45120
Description TUBE (4.5X130)
Serial Range 1106001 - 1240000
Ref No 50
Part Number 95001-45130
Description TUBE (4.5X130)
Serial Range 1106001 - 1240000
Ref No 50
Part Number 95001-45140
Description TUBE (4.5X95)
Serial Range 1106001 - 1240000
Ref No 50
Part Number 95001-45150
Description TUBE (4.5X130)
Serial Range 1106001 - 1240000
Ref No 50
Part Number 95001-45180
Description TUBE (4.5X95)
Serial Range 1106001 - 1240000
Ref No 50
Part Number 95001-45190
Description TUBE (4.5X190)
Serial Range 1106001 - 1240000
Ref No 50
Part Number 95001-45200
Description TUBE (4.5X200) (95001-450(95001-45001-60M)
Serial Range 1106001 - 1240000
Ref No 50
Part Number 95001-45210
Description TUBE (4.5X130)
Serial Range 1106001 - 1240000
Ref No 50
Part Number 95001-45475
Description TUBE (4.5MMX95) (4.5X185) (4.5X210)
Serial Range 1106001 - 1240000
Ref No 51
Part Number 95002-02080
Description CLIP, TUBE (B8)
Serial Range 1240001 - 9999999
Qty
Price $3.19
Add To Cart
Ref No 52
Part Number 98052-56471
Description SPARK PLUG (CM6) (NGK)
Serial Range 1000001 - 9999999
Qty
Price $9.43
Add To Cart